پښتو
> 1280 × 1024 حلقه، د حساس حساسیت سینسر.
> 12μm پکسل پیچ.
> 30 30 ~ 120mm 120mm میتر موټرسارمل لینس.
> د ګړندي آټو تمرکز ملاتړ وکړئ.
> د IVS مختلف فعالیتونه ملاتړ کوي.
> د اور وژنې ملاتړ.
> د EIS فعالیت ملاتړ کوي.
> د شبکې محصول محصول (HD - SDI دوه ګوني محصول اختیاري) ملاتړ وکړئ.
|
موډل |
SG - TCM12N2 - م30120 |
|
|
سینسر |
د انځور سینسر |
بې بنسټه ویکس مایکروبلیټ |
|
پریکړه |
1280 × 1024 |
|
|
د پکسل اندازه |
12μm |
|
|
د سپیکشن سلسله |
8 ~ 14μm |
|
|
نژدی |
≤50mK @ 25 ° C، F # 1.0 |
|
|
لینس |
د فوکل اوږدوالی |
30 ~ 120mm میتر موټرسایکل لینز |
|
آپټیک زوم |
4x |
|
|
ډیجیټل زوم |
4x |
|
|
د |
F1.0 ~ F1.4 |
|
|
فوی |
28.72 ° × 23.15 ° ° ° ° ° ° × 5.86 ° |
|
|
ویډیو |
کمپریشن |
h.265 / h.264 / h.264b / h.264H / Mjpeg |
|
سنیپ شاټ |
jpeg |
|
|
اییس |
ملاتړ |
|
|
د جعلي رنګ |
ملاتړ: سپین ګرم، تور ګرم، د 8 بارانونو 1، د باران 2، امبر، آرکټیک، ټینټ |
|
|
جریان |
اصلي جریان: 25/ 30fps ® × 1024، 25fps704 × 576، 304 × 470 فرعي - جریان: 25fps @ 704 × 576، 30fps @ 704 × 480، 25fps @ 352 × 288، 25fps @ 352 × 240 |
|
|
جال |
د شبکې پروتوکول |
IPv4, IPv6, HTTP, HTTPS, TCP, UDP, RTSP, RTCP, RTP, ARP, NTP, FTP, DHCP, PPPoE, DNS, DDNS, UPnP, IGMP, ICMP, SNMP, SMTP, QoS, 802.1x, Bonjour |
|
مداخله |
acviff، http api، SDK، SDK، GB28181 |
|
|
اعظمي. پیوستون |
20 |
|
|
استخبارات |
عمومي پیښې |
حرکت، ټامپر، SD کارت، شبکه |
|
IVS دندې |
د ټریګوریر، د کراس فیشن کشف، مداخله، ګړندي - ګړندی - حرکت، د پارکینګ کشف، ورک شوي توکي، د لایف، لوژیستنې کشف کول. |
|
|
د اور کشف |
ملاتړ |
|
|
انٹرفیس |
ایترنیټ |
د 4pin ایالت درشل شوی بندر، 10m / 100mel ځان - اډیپشن |
|
HD - SDI (اختیاري) |
1ch HD - SDI |
|
|
الارم په / بهر |
1/1 |
|
|
آډیو دننه / بهر |
1/1 |
|
|
RS485 |
ملاتړ |
|
|
پریکړه |
50hz: 25fps @ (1280 × 1024) |
|
|
د ذخیره کولو وړتیاوې |
د مایکرو SD / SDHC / SDXC کارت (تر 1tb) د څنډې ذخیره، FTP، NATP |
|
|
د بریښنا رسول |
DC 12V، 1a |
|
|
د ځواک مصرف |
جامد بریښنا: 4W، سپورت ځواک: 8W |
|
|
عملیاتي شرایط |
- 30 ° C ~ + 60 ° C / 20٪ تر 80٪ پورې RH ته |
|
|
د ذخیره کولو شرایط |
- 40 ° C ~ + 70 ° C / 20٪ 95 to ته |
|
|
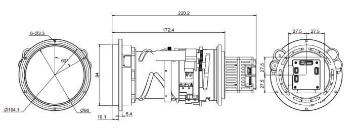
ابعاد |
φ110 (فنج) × 221mm، φ115 (اعظمي حد. عمومي ابعاد |
|
|
وزن |
نږدې. 1.69KG |
|

خپل پیغام پریږدئ

